Screwdriver
Forum Supporter
- Messages
- 11,109
Well yes, like I said a sketch so the dimensions are not representative of anything other than how Sketchup objects to you trying to draw a spiral. I don't even have any of your dimensions or any idea really what you are trying to achieve or what it's for. I just happened to be sitting here, killing time. In a minute I need to b*gger off and kill something else...





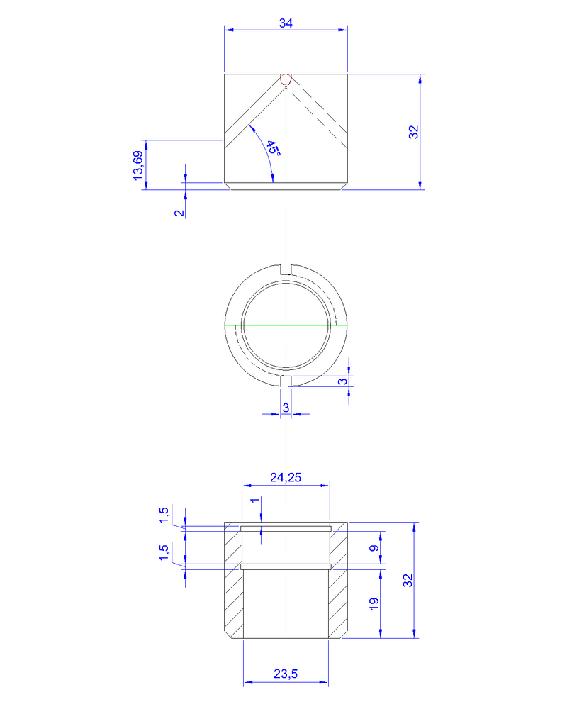
, that 13.69 is just where the CAD says the slot will end at.






