addjunkie
Member
- Messages
- 14,314
- Location
- Northumberland. Reet oot in the sticks
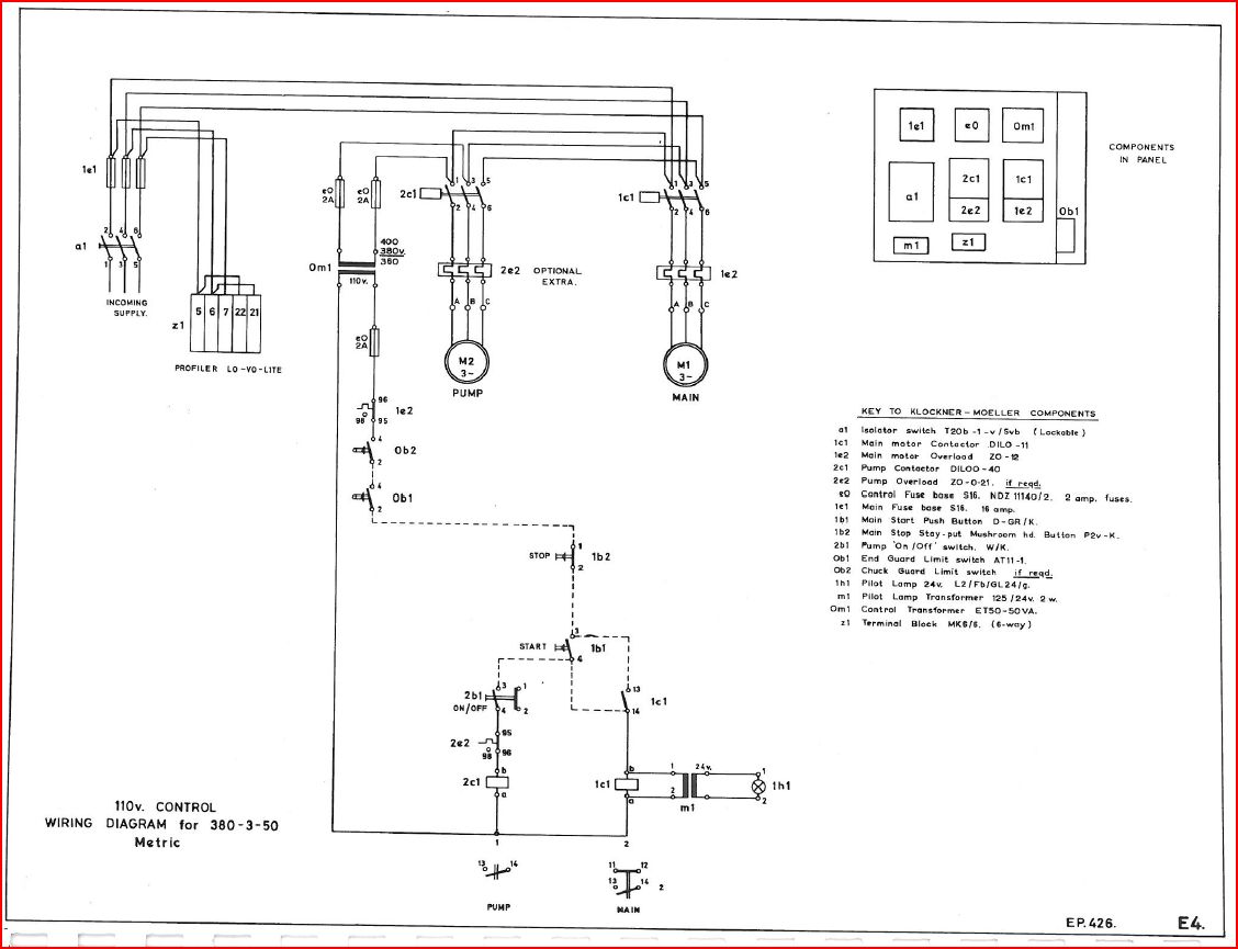
Its possibly a 110v transformer. Use a meter, see whats going in, and what you get out. Not sure what model your lathe is but there will be similar wiring diagrams on line, you really need some Idea of hows it been wired, before you start poking about!
Have you tried bypassing the switch to start it, could just be a faulty switch.
Have you tried bypassing the switch to start it, could just be a faulty switch.



