Agroshield
Member
- Messages
- 6,268
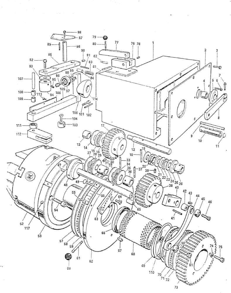
In your photo showing the three gears in the workhead, mark them well before you dismantle there.
The timing of the gears is very important.
Where the coolant has reached the bearings, can it pool and sit there? If so, consider drilling a drainage hole so the suds go somewhere else (even onto the stand).
The timing of the gears is very important.
Where the coolant has reached the bearings, can it pool and sit there? If so, consider drilling a drainage hole so the suds go somewhere else (even onto the stand).








