jo1010
Member
- Messages
- 585
- Location
- West Berkshire, uk
Collected a cheap autolynx 3 that was said to have wire feed problems. Starting to investigate ....the wire feed is extremely weak can't even push wire through the fingers, and also stops completely (but there is still an arc available at that point). Machine switches on ok, fan runs, torch button pulls in the contactor, and (mostly) the wire feed runs, although the pot knob for wire speed does feel very well worn...
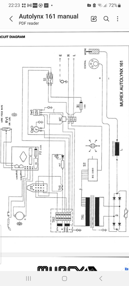
However I started by looking at the power side of things and this is disturbing....
1. OCV is very high. Steps up regularly with the volts control switch from 1 through 6 but goes from 113v to 150v. At this point I compared my other good autolynx3 which shows a range from 70v to 113v.
2. My thought was that TR1 might be shorting, so I've checked output from TR1 disconnected from the rectifier bridge...that test showed regular step thru from 2vac to 4.7vac (volts switch settings from 1 thru 6). Comparing with the good machine again values are similar (2.5vac to 3.2vac). So maybe TR1 is ok? Dusty but no burning visible and plates are a little rusty....
3. I then checked the rectifier bridge. Some diodes were failed so I swapped in a complete working bridge from a spare machine. However the test for DC output still shows high...120v to 143v.
Can't get my head round why this voltage is so high..is TR1 bad after all? So is there any point going further into diagnosis of TR2 and the PCB ( I did notice the wire feed motor does receive 37v (thirty seven - same as my good machine).......
However I started by looking at the power side of things and this is disturbing....
1. OCV is very high. Steps up regularly with the volts control switch from 1 through 6 but goes from 113v to 150v. At this point I compared my other good autolynx3 which shows a range from 70v to 113v.
2. My thought was that TR1 might be shorting, so I've checked output from TR1 disconnected from the rectifier bridge...that test showed regular step thru from 2vac to 4.7vac (volts switch settings from 1 thru 6). Comparing with the good machine again values are similar (2.5vac to 3.2vac). So maybe TR1 is ok? Dusty but no burning visible and plates are a little rusty....
3. I then checked the rectifier bridge. Some diodes were failed so I swapped in a complete working bridge from a spare machine. However the test for DC output still shows high...120v to 143v.
Can't get my head round why this voltage is so high..is TR1 bad after all? So is there any point going further into diagnosis of TR2 and the PCB ( I did notice the wire feed motor does receive 37v (thirty seven - same as my good machine).......
Last edited:






