Williewelder
New Member
- Messages
- 1
- Location
- Northern Ireland
Hi everyone. I'm posting this for a elderly neighbour
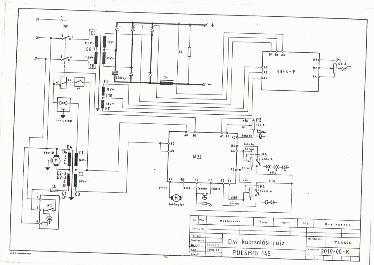
He has a butters autoweld 245 and needs a new pcb for it. From what I've researched online the original boards are not available but there may be a universal one that will fit
Does anyone know where I could get one? Name / model etc I'm looking for or anything that can help. I've included pictures for your reference. It's actually the black 20 pin 'resistor' but again not available so a new board it is unless anyone knows different
thanks



He has a butters autoweld 245 and needs a new pcb for it. From what I've researched online the original boards are not available but there may be a universal one that will fit
Does anyone know where I could get one? Name / model etc I'm looking for or anything that can help. I've included pictures for your reference. It's actually the black 20 pin 'resistor' but again not available so a new board it is unless anyone knows different
thanks




