Hi.
I have a BOC Autolynx 2, made around 1993. I only welded with it for so long until one day after welding a 5mm box section for a while it stopped welding completely, I don't know much about it, but a schematic would be very helpful
Got a murex autolynx 160mk2 and it isn't welding right. melts the wire but beads it all ontop of th steel without any real penetration. at first thought it may be capacitors, of which it has two big 250000 oil filled electrolytics. well ive actually tested the caps tonight and with multimeter set to 2000 ohms, the caps, both of them respond like I was advised they would if they were good caps, ramping up, switch the leads, ramping down.
I have found out something from the seller of this Murex today that he had the machine looked at before giving me it (could have told me earlier) and the...
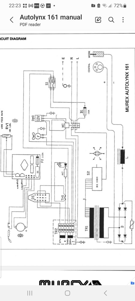
If you enter BOC Autolynx in the search box, upper right corner, you will find lots of earlier threads about this clever but complex machine. Some of the topics may be helpful to you, however, I don't think any of them contain a full schematic.
These machines had advanced circuit designs, and were built with high-quality components, but very low assembly skills and quality control. The usual problems are due to loose or corroded wire connections and very poor soldering of the components onto the printed circuit boards. To fix them, it is normally sufficient to tighten all screw-terminal tagstrips, reseat all push-on tags, and resolder all the joints.