johnrev
Member
- Messages
- 230
- Location
- Norfolk, UK
My brain hurts!
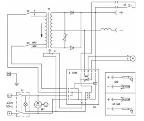
My old Britweld 195 voltage selector switch has been playing up for a while now. Seems to be terminal and my 'favourite' setting is now gone. Switch is getting harder to turn and feels awful. So I have another switch but it's not the same and I can't figure out how to wire it.
The original was a multilayer cam operated rotary unit which lots of welders seem to have and was jumpered to give the required steps. The transformer has a single common supply which is routed to one of seven tappings by the switch.
The new switch I have is an Awelco with three layers of two switches each (ie six switches). these are cam operated and the switch has eight positions. Each single switch is on four times during the eight steps all at different positions?????
Sorry I've even lost myself with this hopeless description.
Anyroad- I have made a chart of switch positions which may or may not make sense. Along the top is the individual switch connections and down the side is the eight steps. The crosses show when each switch is made. The letters I have added as these connections were not originally marked. Formatting has gone haywire but 1 and A is switch one, 2 and D switch two etc. It was jumpered originally A-D D-4 B-E E-6 C-10 but don't know what this configuration was for.
What I need is a jumper configuration to give a single input and seven separate outs for the transformer tappings. I've been completely stumped but I know from hours of reading on this site that there are some clever guys out there so if any of you could take a look I'd be grateful.
I suspect the answer will be to buy the proper switch but this is a nice sturdy unit and I'd like to use it if possible.
Thanks
My old Britweld 195 voltage selector switch has been playing up for a while now. Seems to be terminal and my 'favourite' setting is now gone. Switch is getting harder to turn and feels awful. So I have another switch but it's not the same and I can't figure out how to wire it.
The original was a multilayer cam operated rotary unit which lots of welders seem to have and was jumpered to give the required steps. The transformer has a single common supply which is routed to one of seven tappings by the switch.
The new switch I have is an Awelco with three layers of two switches each (ie six switches). these are cam operated and the switch has eight positions. Each single switch is on four times during the eight steps all at different positions?????
Sorry I've even lost myself with this hopeless description.
Anyroad- I have made a chart of switch positions which may or may not make sense. Along the top is the individual switch connections and down the side is the eight steps. The crosses show when each switch is made. The letters I have added as these connections were not originally marked. Formatting has gone haywire but 1 and A is switch one, 2 and D switch two etc. It was jumpered originally A-D D-4 B-E E-6 C-10 but don't know what this configuration was for.
What I need is a jumper configuration to give a single input and seven separate outs for the transformer tappings. I've been completely stumped but I know from hours of reading on this site that there are some clever guys out there so if any of you could take a look I'd be grateful.
I suspect the answer will be to buy the proper switch but this is a nice sturdy unit and I'd like to use it if possible.
Thanks



