blenkie1
Member
- Messages
- 1,006
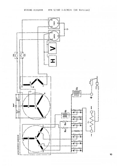
I have a genset welder with no output either from the welder or the 110v/240v. Can anyone tell me what to look for. Not sure why it has stopped working. Not been used for a couple of months but started up fine. Used the grinder no problems but come to start to weld nothing and now no 110/240v. Tried the trips and seem ok. Anybody any ideas? Thanks



